HM-800微压/风压压变送器
HM-800型差压变送器有多种接口形式和引线方式,并可配置一体指针或数字表头,现场显示差压值,零点、量程连续可调。该产品广泛应用于炉堂压力、烟尘治理、风机、空调机等场所进行压力、流量的检测和控制。
- 电 话:021-69028098
- 传 真:021-69028066
- 邮 箱:shkhyb@163.com
Description
概述
HM-800型差压变送器选用高精度、高稳定性传感器芯片,采用应力隔离技术,经精密温度补偿及高稳定性放大处理,将被测介质的差压信号转换成4~20mADC、0~10mADC或0~5VDC标准信号输出。高质量的传感器、精堪的封装技术及完善的装配工艺,确保了该产品质量优异和性能稳定。
HM-800型差压变送器有多种接口形式和引线方式,并可配置一体指针或数字表头,现场显示差压值,零点、量程连续可调。该产品广泛应用于炉堂压力、烟尘治理、风机、空调机等场所进行压力、流量的检测和控制。此类变送器也可单端使用测表压(负压)。
主要特点
外形精巧,安装方便;
阻尼滤波设计使它受动压的影响小;
可同时用于差压、压力、负压测量;
可带低功耗、宽温区的LCD显示表;
零位、满度均现场可调;
高过载和高静压设计;
输出信号、电气连接和压力接口均采用标准化设计。
技术规格

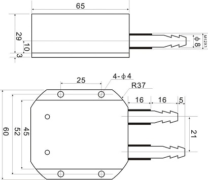
尺寸规格
安装要求
浏览:
上一篇:WP435卫生型压力变送器
下一篇:防水/防尘型压力变送器



